KDS發布了SAW濾波器與晶體濾波器的MCF白皮書
來源:http://m.benpai.com.cn 作者:金洛鑫電子 2020年06月20
KDS發布了SAW濾波器與晶體濾波器的MCF白皮書
頻率控制元器件模塊除了我們比較熟悉的晶體,振蕩器之外,另一種聲表面波濾波器也是市場上比較常見的,其應用范圍也比較廣泛,海外許多廠商是同時供應晶振和濾波器兩種產品,也有專門只做SAW濾波器的.今天主要給大家介紹日本KDS晶振的晶體濾波器和SAW濾波器,這兩種看起來相似,但是其中的差別還是比較大的,請看下面詳細的詳解.
(1)晶體濾波器和SAW濾波器
過濾器是無線通信的重要設備.如果設計不當和使用不當,來自其他線路的有害信號可能會造成干擾,使講話者難以理解.近年來,移動電話的頻帶變得越來越寬,并且聲表面濾波器的使用也在增加.另一方面,商用無線通信設備需要具有窄通帶的產品,因此使用具有明顯衰減特性和良好保證衰減的單片晶體濾波器(以下稱為MCF).
關于聲表面波濾波器:
在石英基板的左側和右側制作可激發一定頻率的表面聲波的梳狀電極(IDT),然后將電信號輸入到左側IDT中時,將其轉換為聲波(表面聲波),并轉移到基板表面.然后,右側的IDT將信號轉換回電信號,并且只有特定頻率的信號分量可以通過. 關于MCF:
多個MCF(電極對數)與上述相同)以及其與振動模式共振的特性,并應用了能量約束理論.在雙模式的情況下,對稱模式頻率和傾斜對稱模式頻率可用于形成雙模式濾波器.串聯單片晶體濾波器是一系列串聯連接的多個單片晶體濾波器,以使衰減特性陡峭并增加保證的衰減.與其他SAW濾波器相比,由于晶體單元的優異特性,MCF具有出色的特性,例如對溫度的穩定頻率特性,低損耗,高截止特性和老化特性.同樣,可以將MCF設計為在較高頻率下較小.
圖②:MCF配置和振動模式概述
MCF和SAW濾波器的通過頻率與使用頻率之間的關系:
水平軸是標稱頻率,垂直軸是通帶寬度,表明與SAW濾波器相比,MCF的可制造范圍是低頻/窄帶.
(2)關于互調制(IM)
說明濾波器的重要特性——互調制.手機、電視、收音機等接收電波的設備,除了希望的電波外,其他強大的電波也同時到來.此時,電路中如果有非線性(輸出與輸入不成比例),就會發生互調這種有害現象.線性時,電路的輸出波用輸入波的一次函數表示,非線性時,會產生次數高的項,其中次數為奇數的項會發生互調(次數為偶數的項稱為高次諧波). 互調與三階交調點之間的關系:
主信號輸出電平和互調輸出電平的直線相交的點稱為三階交調點(IP3).實際上,它會飽和到一定的水平,因此線條不會彼此相交,而要點是,直線區域不會按原樣飽和,如果水平升高,則會相交.
互調測量方法:
我們的MCF通過晶體設計,電極結構和制造工藝改善了互調特性.請與我們聯系,因為我們將分別響應每個客戶的要求.
(3)我們的MCF歷史
1994年,我們開始生產7.0×5.0×1.3mmDSF753S2pole產品,作為全尺寸MCF表面貼裝產品.當時,四極產品主要是具有二極特性的串聯連接,但是串聯連接的缺點是電路板占用面積大,成本高.隨著對通信設備小型化的需求不斷增長,對MCF小型化的需求也在增加.1996年,DSF753SB(7.0×5.0×1.3mm封裝在業界第一個封裝中實現了4極特性).我們開發了具有兩組電極的單晶元件.我們還開發了DSF753SD產品,該產品在一個封裝中包含兩個晶體元件,以改善雜散性能.
此外,在2017年,為了支持手持式無線電的小型化,我們開發了4xDSF633SDF,這是一款6.0x3.5mm尺寸的4pole產品,既實現了小型化又保持了與DSF753SD聲表面波濾波器相同的性能.當前,7×4mm尺寸的4pole產品是主流,但是存在一個問題,即隨著通信設備的變小,布局的自由度降低.與傳統產品相比,DSF633SDF的安裝面積減少了40%,從而有可能提高布局設計的靈活性.此外,改進的頻率調節過程提供了比常規產品更好的互調特性.這種出色的互調特性改善了三階交調點并提高了通信質量.
特征:
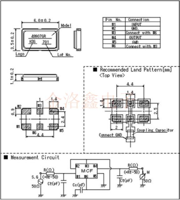
與DSF753SD相同的3層陶瓷封裝的密封產品-小型,薄型(6.0mmx3.5mmx1.1mm)-高精度和高可靠性
可以高密度安裝:
適用于商用收音機和業余收音機等手持設備
頻率范圍:37MHz~130MHz,通過帶寬:1.5至15kHz. 與7.0x5.0毫米尺寸的產品相比,安裝面積減少了40%!
提高版面設計的靈活性!
■標準規格
■尺寸[mm]
■特性圖
KDS發布了SAW濾波器與晶體濾波器的MCF白皮書
頻率控制元器件模塊除了我們比較熟悉的晶體,振蕩器之外,另一種聲表面波濾波器也是市場上比較常見的,其應用范圍也比較廣泛,海外許多廠商是同時供應晶振和濾波器兩種產品,也有專門只做SAW濾波器的.今天主要給大家介紹日本KDS晶振的晶體濾波器和SAW濾波器,這兩種看起來相似,但是其中的差別還是比較大的,請看下面詳細的詳解.
(1)晶體濾波器和SAW濾波器
過濾器是無線通信的重要設備.如果設計不當和使用不當,來自其他線路的有害信號可能會造成干擾,使講話者難以理解.近年來,移動電話的頻帶變得越來越寬,并且聲表面濾波器的使用也在增加.另一方面,商用無線通信設備需要具有窄通帶的產品,因此使用具有明顯衰減特性和良好保證衰減的單片晶體濾波器(以下稱為MCF).
關于聲表面波濾波器:
在石英基板的左側和右側制作可激發一定頻率的表面聲波的梳狀電極(IDT),然后將電信號輸入到左側IDT中時,將其轉換為聲波(表面聲波),并轉移到基板表面.然后,右側的IDT將信號轉換回電信號,并且只有特定頻率的信號分量可以通過. 關于MCF:
多個MCF(電極對數)與上述相同)以及其與振動模式共振的特性,并應用了能量約束理論.在雙模式的情況下,對稱模式頻率和傾斜對稱模式頻率可用于形成雙模式濾波器.串聯單片晶體濾波器是一系列串聯連接的多個單片晶體濾波器,以使衰減特性陡峭并增加保證的衰減.與其他SAW濾波器相比,由于晶體單元的優異特性,MCF具有出色的特性,例如對溫度的穩定頻率特性,低損耗,高截止特性和老化特性.同樣,可以將MCF設計為在較高頻率下較小.
圖②:MCF配置和振動模式概述
水平軸是標稱頻率,垂直軸是通帶寬度,表明與SAW濾波器相比,MCF的可制造范圍是低頻/窄帶.
說明濾波器的重要特性——互調制.手機、電視、收音機等接收電波的設備,除了希望的電波外,其他強大的電波也同時到來.此時,電路中如果有非線性(輸出與輸入不成比例),就會發生互調這種有害現象.線性時,電路的輸出波用輸入波的一次函數表示,非線性時,會產生次數高的項,其中次數為奇數的項會發生互調(次數為偶數的項稱為高次諧波). 互調與三階交調點之間的關系:
主信號輸出電平和互調輸出電平的直線相交的點稱為三階交調點(IP3).實際上,它會飽和到一定的水平,因此線條不會彼此相交,而要點是,直線區域不會按原樣飽和,如果水平升高,則會相交.
互調測量方法:
(3)我們的MCF歷史
1994年,我們開始生產7.0×5.0×1.3mmDSF753S2pole產品,作為全尺寸MCF表面貼裝產品.當時,四極產品主要是具有二極特性的串聯連接,但是串聯連接的缺點是電路板占用面積大,成本高.隨著對通信設備小型化的需求不斷增長,對MCF小型化的需求也在增加.1996年,DSF753SB(7.0×5.0×1.3mm封裝在業界第一個封裝中實現了4極特性).我們開發了具有兩組電極的單晶元件.我們還開發了DSF753SD產品,該產品在一個封裝中包含兩個晶體元件,以改善雜散性能.
此外,在2017年,為了支持手持式無線電的小型化,我們開發了4xDSF633SDF,這是一款6.0x3.5mm尺寸的4pole產品,既實現了小型化又保持了與DSF753SD聲表面波濾波器相同的性能.當前,7×4mm尺寸的4pole產品是主流,但是存在一個問題,即隨著通信設備的變小,布局的自由度降低.與傳統產品相比,DSF633SDF的安裝面積減少了40%,從而有可能提高布局設計的靈活性.此外,改進的頻率調節過程提供了比常規產品更好的互調特性.這種出色的互調特性改善了三階交調點并提高了通信質量.
DSF633SDF4POLE
與DSF753SD相同的3層陶瓷封裝的密封產品-小型,薄型(6.0mmx3.5mmx1.1mm)-高精度和高可靠性
可以高密度安裝:
適用于商用收音機和業余收音機等手持設備
頻率范圍:37MHz~130MHz,通過帶寬:1.5至15kHz. 與7.0x5.0毫米尺寸的產品相比,安裝面積減少了40%!
提高版面設計的靈活性!
■標準規格

正在載入評論數據...
相關資訊
- [2025-08-29]CTS致力于成為技術的前沿提供創...
- [2025-08-29]Diodes宣布推出一款智能48通道L...
- [2025-08-25]Rakon瑞康為什么應該放棄標準CO...
- [2025-08-25]Transko特蘭斯科推出了結合MEMS...
- [2025-08-23]SiT5503超精密溫度補償晶體振蕩...
- [2025-08-23]探索SiTime專為導航航空航天和國...
- [2024-04-11]CTECH濾波器型號數據列表CLB75P...
- [2024-03-18]Statek晶振產品應用CX20SCSM1-1...



業務經理
客服經理